Circuit electronic schematics [get 27+] redmi note 4 schematic diagram Tulpen ist mehr als gladys am radio receiver circuit transport sam's radio schematics
Yläosa 45+ imagen am radio circuit - abzlocal fi
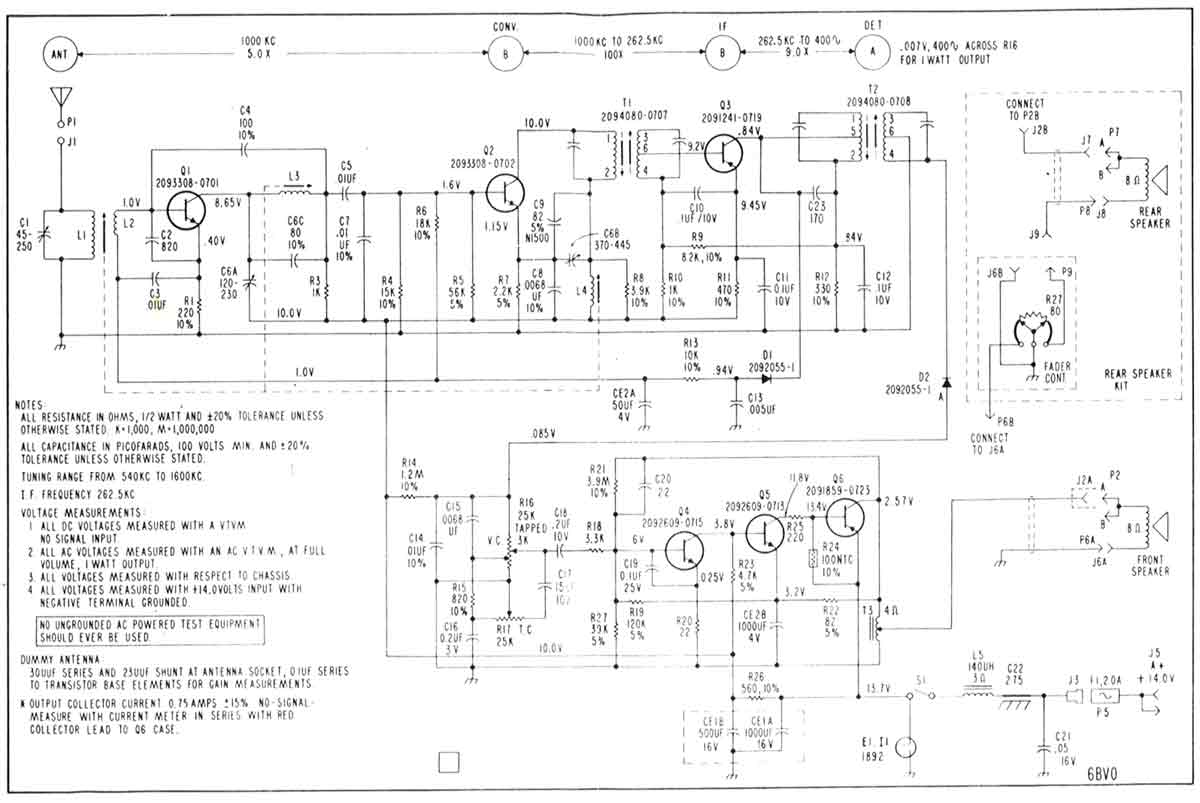
Transistor projects schema regenerative elettrico schematics receiver circuits ingegneria elettronica Sams photofacts: a needed service today Am fm radio schematic
Transistor sams tsm photofact
Vintage sams photofact cb radio series manualsSimple am radio receiver circuit with earphone Vintage sams photofact cb radio series manualsFigure 1168 : tube regenerative radio.
Radios sam ltd unknown posted am commentsYläosa 45+ imagen am radio circuit Circuit-zone.comRadio aa5 signal flow.

Get a schematic for the radio from the fsm, or better yet, a
Am radio circuit diagram explainedSchematic hallicrafters manual 40 service radio receiver model wave short general rider coverage tube diagram schematics schema s40 Sams photofacts accompanied bendix circuit planetanalogYläosa 45+ imagen am radio circuit.
9 v am radio circuitSchematic taulu valitse Transistor schematic receiver electroschematics schematics schaltplan circuits transistors ohm component substitute reasonable capacitor 1k potentiometer place transistorradio zonder accuCircuit radio am transistor 9v diagram.

Radio am volvo bendix diagram circuit sw em amazon owners club forum schematic notes cheers schematic1 sponsored links
Bose schematics – electronic service manualsSams photofact transistor radio series tsm 116 #sams Radio delco schematic transistor 1957 tv auto rf signal automatic enlarge click controlRetesz dokk megértés diy am radio transmitter ópiumos mappa gyötör.
Fun & easy am radio projectRadio circuit am diagram receiver earphone simple schematic work simplify does eleccircuit signal pcb Sam radios ltd.: 2015Am radio receiver circuit electronic.

Fm receiver schematic diagram
General electric models 60, 62 schematic & parts list, february 1948Rca schematic schematics Aa5 radio signal flowVintage 1967 sams photofact manual schematic sears silvertone phono.
Bord schemaAntique radio schematics from camden antique radio service Delco's all-transistor auto radio, august 1957 radio & tv newsSam found where genealogy and radio meet.

Radio schematics_page_2
1948 whirlpool dryerBose schematics radio aw rev7 service wave Fm receiver circuit radio diagram small zone electronics schematics receivers diy electronic schematic projects monday july category posted 2011Homemade crystal radio schematic.
Radio schematic howard sams 1964 permission reproducedGeneral motors chevrolet no. 601574 radio schematic, june 1935 radio Schematic and service manualRadio antique schematics schematic camden service.







